Contents
Menu
Expand
Light mode
Dark mode
Auto light/dark, in light mode
Auto light/dark, in dark mode
Hide navigation sidebar
Hide table of contents sidebar
Skip to content
Toggle site navigation sidebar
autojx
Toggle Light / Dark / Auto color theme
Toggle table of contents sidebar
Back to top
View this page
Toggle Light / Dark / Auto color theme
Toggle table of contents sidebar
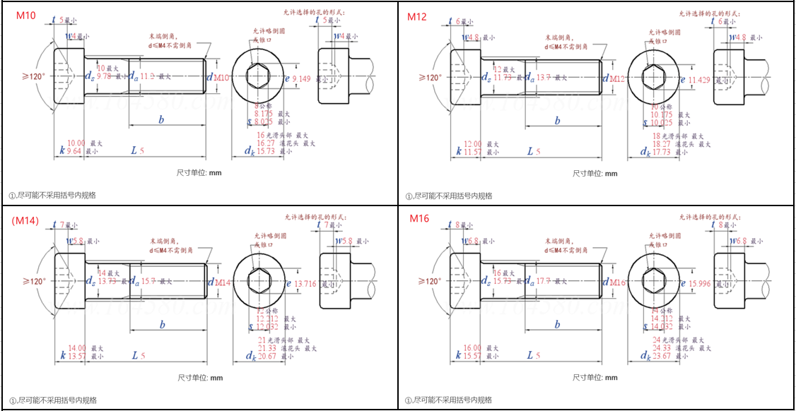
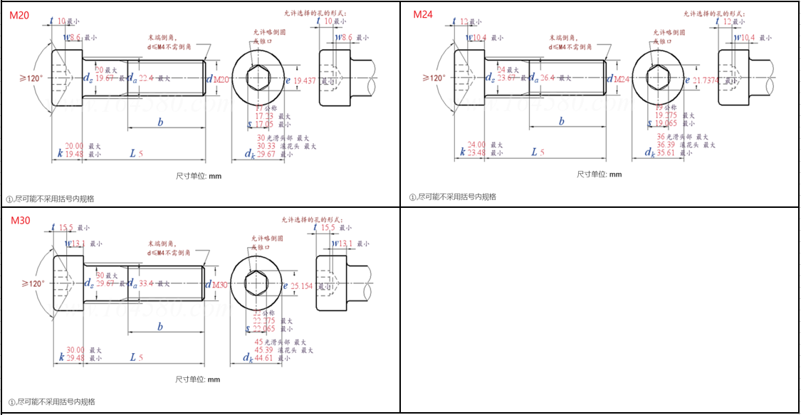
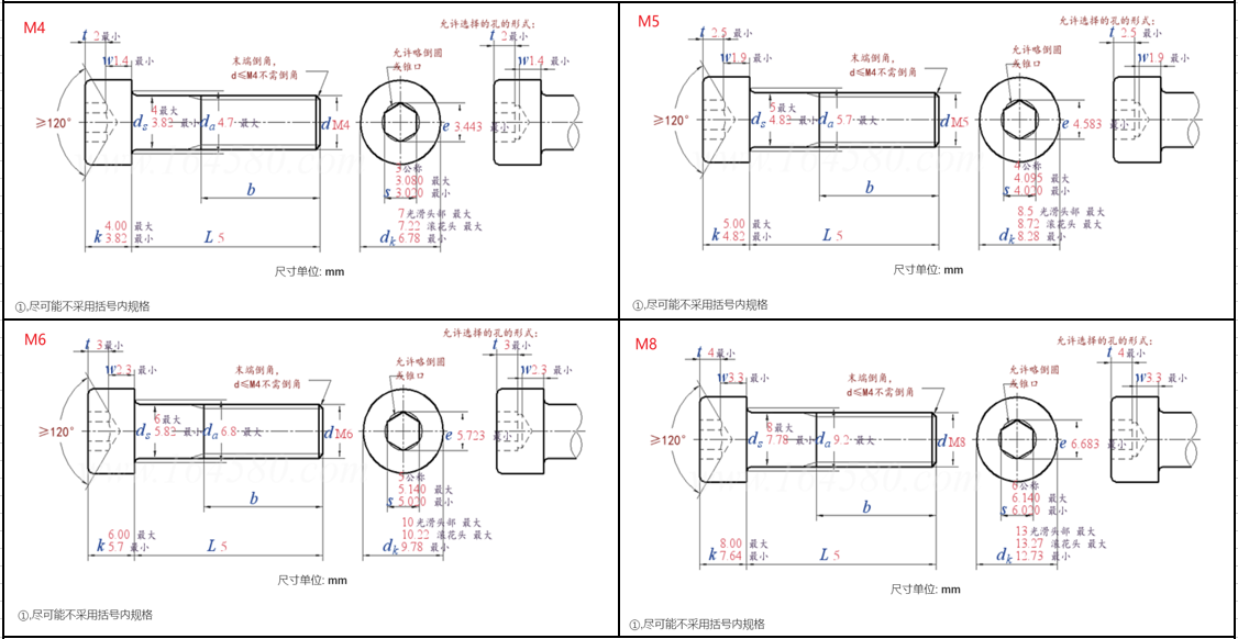
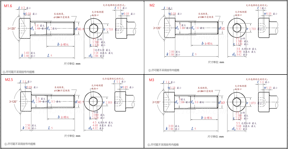
常用资料1
¶
螺栓
¶
扳手
¶